A guide to understanding how a power supply converts mains electricity in to low voltage DC supply. The tutorial covers both linear and switch mode power supplies.
How Kitronik’s PCBs Are Made
A guide to understanding how Kitronik’s PCBs are made.
What Is An Intergrated Circuit?
What is an Intergrated Circuit? Who invented the Integrated Circuit? What are some examples of Integrated Circuits? How are they made?
Design A Clock Challenge
Design a Clock Challenge provides templates and cutting files for you to design your own clock.
How to Use a Multimeter
A guide to using a Multimeter to measure voltage and current.
What Is Ohm’s Law
Ohm’s law is used to describe the relationship between Voltage (V), Current (I) and Resistance (R). In this tutorial you will learn about the formula that connects these three values, see some examples and answer some questions to test your understanding.
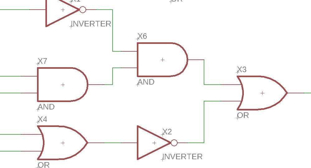
Understanding Logic Gates
A guide to understanding how logic gates work.
How A Thermistor Works
A guide to understanding how a thermistor works. A thermistor is a component that has a resistance that changes with temperature. There are two types of thermistor. Those with a resistance that increase with temperature (Positive Temperature Coefficient – PTC) and those with a resistance that falls with temperature (Negative Temperature Coefficient – NTC).
How To Use A Thyristor As A Latch
A guide to using a thyristor as a latch.
How A Darlington Pair Transistor Works
A Darlington pair is two transistors that act as a single transistor but with a much higher current gain, this tutorial provides an example circuit with explanation about how the part is used.
